欧宝ob官网登录入口(中国)有限公司 欧宝ob官网登录入口(中国)有限公司 政策法规 产业市场 节能技术 能源信息 宏观环境 会议会展 活动图库 资料下载 焦点专题 智囊团 企业库
节能技术  中国节能产业网 >> 节能技术 >> 工业节能 >> 正文
浅析两种实用节能技术在道路照明中的应用
来源:中国节能产业网 时间:2009-12-22 18:37:41 用手机浏览

  进年来,我国的市政建设取得了飞速的发展,道路照明质量不断提高,高强度气体放电灯被广泛使用,对改善我国的投资环境,促进经济快速发展,方便群众生活,美化城市和作为一个外向型现代化城市的建设起了很大作用。但是伴随而来的是能耗的大幅度提高,特别是近年来能源价格大幅度提升,使电力耗费成为负担,因此,有必要加强技术改进,以期减缓能耗上升的趋势。在全球都在提倡绿色照明的时代,路灯的节能必然成为一种趋势。

  为了进一步落实和贯彻执行中华人民共和国建设部研究制定的《“十一五”城市绿色照明工程规划纲要》在城市照明行业大力推进绿色照明工程,道路照明的设计是城市照明节能的关键,我国照明界早已认识到节能的重要性,并开始提倡绿色照明。

  2003年,我院对市内世行贷款项目——中华大街、体育大街、槐南路等主要道路照明项目采用了ILUEST智能照明调控装置的设计,节能效果显著,达20%以上。但有一个缺点,成本投资太大,需3-4年才能收回成本,在国家大力推广照明节能的良好形势下,节能产品的研发与应用如雨后春笋般,层出不穷的应用于全国各大城市。

  但对照明光源的节能采用何种方式、节能的经济效益有多少、是否有使用和推广的价值,目前尚未得到论证,也未得到同行的认可,因此至今未得到普及应用。本文以数据事实为依据,通过科学的计算,介绍两种照明光源节能的方法,论述在满足交通安全的前提下,节能定量分析及推广使用的可行性和重要性。

  一、智能化节能型路灯箱式变电站

  (一)、节电原理及产品主要优点
  产品节电原理:智能路灯节能装置中配备独特的微电脑控制程序,采用了动态优化的智能控制技术,用以调整动态变化中的系统用电参数,并对其进行优化处理,保障用电系统始终工作于最佳状态的同时达到最佳的节电效果。

  此路灯节能装置为人机界面,调节方式灵活;不产生高次谐波,输出端始终是完整的正弦波,对电网无污染,对用户的有线信号、无线信号均无任何干扰,不会对电网产生污染,属于环保型的智能节电产品;能耗小、使用寿命长,提高设备运行效率,减少多余电费支出;相对成本低,回收成本周期短,一般不超过1.5年,特别适于新建线路中;能实时监测,同时对输入、输出电流、电压和功率等参数提供动态数据、故障诊断和自动保护,稳定工作电压,设备运行更稳定可靠;节电效果显著,可达25%--60%针对电网电压偏高和波动等现象,调控装置可根据用户现场实际需求,实时在线调控输出最佳照明工作电压,并将其稳定在±2.5%以内,有效提高电力质量,从而达到稳定最佳工作电压的目的。

  根据用户实际的照明需求,调控装置还可通过程序进行多时段节能电压设置,从而满足用户不同光源、不同时间的需求,实现最佳照明状态和最大节电率。

  能够实时稳压、控压,路灯后半夜的供电电压会达到250V,智能调控装置高稳定的最佳照明电压,能够延长电光源寿命,减少照明运行及维护费用。

  实现智能照明调控。为了满足不同用户对照明灯具控制的需要,有多种模式可供选择,如:端子控制节能动行模式;时间控制节能运行模式;通讯控制节能运行模式。可按现场实际情况,通过天文钟、智能探头或内部编程、远程计算机遥控,实现时控、光控、程控等多种智能化控制。并可根据不同时段、不同灯具、不同亮度要求。

  调控装置采用手动和自动双旁路系统,以保证照明设备不断电,正常安全运行;串行通信遥测、遥信、遥感、遥控等功能,并可与上位机组网,执行调度指令,实现中心系统控制。

  安装调试简便,不改变原接线模式,免维护,无需设专人管理,降低维护费用,减少维护工作量。

  (二)、产品节能及效益分析

  以400W的高压钠灯为例,当电压从242伏降到154伏时输入功率变化如下:

分档
1
2
3
4
5
6
7
电压(V)
242
220
216
212
201
192
154
输入功率(W)
544
450
433
417
375
342
220

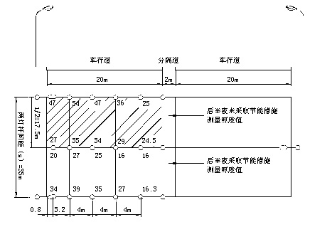
  例:郑开大道,道路宽42m,10车道,12m高路灯,35m间距交错布置,后半夜电压从采用节能前240V变至采用节能后196V。
  后半夜未采用节能时电压为242V时现场测量路面平均照明Eav=35lx,后半夜采用节能措施后电压为192V时,现场测量路面平均照度Eav=25lx。
图一 后半夜采取节能措施前后所测照度值


  假设郑开大道一台160KVA路灯箱变,所供路灯512盏,每盏400W、原方案用电量按平均每天11小时(前半夜4小时、后半夜7小时)计算:
  前半夜 电压为220V:512×0.45(KW)×4(h)=922KWh
  后半夜 电压为242V:512×0.544(KW)×7(h)=1950KWh
  年用电量为2871×365=1048023 KWh,按0.5元/KWh计算,电费为52.4万。

  采用智能化节能型箱式变后每天用电量:
  1、前半夜 电压为220V:512×0.45(KW)×4(h)=922KWh
  2、后半夜 电压为192V:512×0.342(KW)×7(h)=1226KWh
  年用电量为2148×365=784020KWh,按0.5元/KWh计算,电费为39.2万。一年节约电费13.2万,节电率为25%以上。

  一台160KVA普通箱变约13万的话,一台160KVA节能型箱式变约21万元,利用节约的电费,半年就能收回成本。

  (三)、结论
  由上述计算可见,采用智能化节能型箱式变,使用寿命为15年的话,例如石家庄市每年用于道路照明的电费为1800万元,假设采用此节能方式,除半年用于回收资金外,本市路灯行业每年可为国家节省约450万元。智能化节能型路灯箱式变电站,是一种最新的环保型节能装置,不但节电率高,而且还可延长光源的使用寿命,每年将为国家节省一笔很大的费用,其经济效益是非常可观的。

[1] [2] 下一页


分享到:
相关文章 iTAG:
高压变频数字化船用岸电系统技术
高压变频器在高炉除尘的应用及节电效果
高压大功率变频器在火力发电厂的应用
国内变频空调知识介绍及技术现状分析
注塑机电液控制系统节能技术原理分析
注塑机节能技术的工作原理及应用
高压变频器发展现状及发展趋势
变频技术基础原理知识
频道推荐
服务中心
微信公众号

CESI
关于本站
版权声明
广告投放
网站帮助
联系我们
网站服务
会员服务
最新项目
资金服务
园区招商
展会合作
中国欧宝ob官网登录入口(中国)有限公司上线下相结合的一站式节能服务平台。
©2007-2016 CHINA-ESI.COM
鄂ICP备16002099号
节能QQ群:39847109
顶部客服微信二维码底部
扫描二维码关注官方公众微信