欧宝ob官网登录入口(中国)有限公司 欧宝ob官网登录入口(中国)有限公司 政策法规 产业市场 节能技术 能源信息 宏观环境 会议会展 活动图库 资料下载 焦点专题 智囊团 企业库
节能技术  中国节能产业网 >> 节能技术 >> 绿色照明 >> 正文
新型节能照明电源的控制IC技术分析
来源:中国节能产业网 时间:2009-3-11 10:47:50 用手机浏览

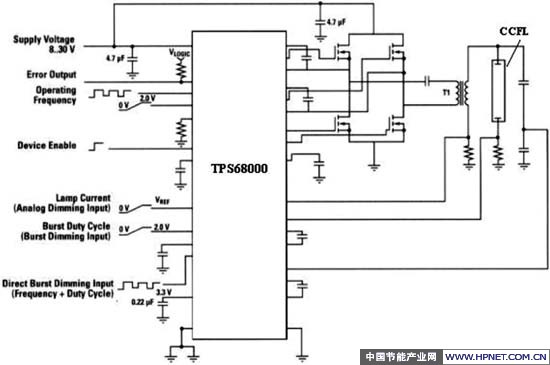
  同步恒定工作频率;可编程相位延迟用于控制从操作的运行频率;光—电压稳压以及光—电流稳流;模拟调光及脉冲调光;多控制器件下的可调节分置式脉冲调光;启动或出错状态下可程序化的校正电压时长;开灯保护和短路保护;内置高温保护与低电压锁定模式。TPS68000高效移相全桥CCFL控制器应用电路见图4。

 123

  图4 为TPS68000应用于CCFL示意图

  卤素灯转转换器IC

  市场中的卤素灯正经受可靠性的挑战,。由于过载和短路故障,电子变压器经常受到损坏。但是,采用合适的技术,卤素转转换器IC就可以成为解决方案,那就是可以使用一个三端的双向可控硅开关元件实现卤素灯管平缓而连续的调光。IR2161面临的挑战就是在小型的8引脚封装内提供广泛的保护特性、灯管电压调节和调光功能(图5)。

 123

  图5 应用IR2161于卤素灯框图

  IR2161卤素灯解决方案是一个简单、优良的设计,减少了总元件数目,并且提供了更高的性能。IC+MOSFET相结合的解决方案将大大提高这些产品的制造能力和可靠性,也有助于这个市场进一步发展。

  结语

  随着建筑新照明技术或已有技术的派生得到了发展,譬如直径很细的荧光管甚至LED,它们将与其相关的应用一起创造自己的新市场领域,其结果是进一步推广电子节能照明产品以使整个市场受益。

上一页  [1] [2] [3] [4] 


分享到:
相关文章 iTAG:
LED光源照明设计需要注意的技术细节
双向可控硅的节能设计及应用分析
电机节能控制器的电路设计与技术分析
完全二线式照明控制系统技术原理
频道推荐
服务中心
微信公众号

CESI
关于本站
版权声明
广告投放
网站帮助
联系我们
网站服务
会员服务
最新项目
资金服务
园区招商
展会合作
中国欧宝ob官网登录入口(中国)有限公司上线下相结合的一站式节能服务平台。
©2007-2016 CHINA-ESI.COM
鄂ICP备16002099号
节能QQ群:39847109
顶部客服微信二维码底部
扫描二维码关注官方公众微信